|
|
|
產品展示
| 廚房排油煙風機系列 » CDF-Ⅰ型多翼式離心風機 |
|
CDF-I系列多翼式離心風機
CDF-I 型風機采用A式直聯和E式皮帶傳動兩種結構形式,前傾多翼式離心葉輪。配用防爆電機和鋁(不銹鋼)材質葉輪,可制成防爆型。具有風量大、噪聲低、結構緊湊、安裝方便等優點,適用于單位食堂、飲食店、賓館酒樓等廚房排油煙,及廠礦企業、民用建筑等場合的送排風。 |
|
|
| 性能參數 |
|
機號 |
轉速
(rpm) |
風量
(m3/h) |
風壓
(Pa) |
功率
(KW) |
噪聲
dB(A) |
|
4A |
720 |
3460 |
300 |
0.75 |
59 |
|
3700 |
315 |
|
3960 |
325 |
|
960 |
4860 |
530 |
1.5 |
66 |
|
5200 |
545 |
|
5400 |
560 |
|
4.5A |
720 |
5150 |
445 |
1.5 |
68 |
|
5300 |
450 |
|
5760 |
460 |
|
960 |
8000 |
720 |
3 |
72 |
|
8800 |
780 |
|
9500 |
800 |
|
5 E |
600 |
8500 |
435 |
2.2 |
65 |
|
9000 |
445 |
|
9360 |
450 |
|
700 |
8135 |
660 |
3 |
70 |
|
8500 |
675 |
|
9000 |
680 |
|
800 |
9350 |
745 |
4 |
72 |
|
9900 |
760 |
|
10440 |
780 |
|
5.6E |
500 |
9800 |
350 |
2.2 |
65 |
|
10000 |
365 |
|
11520 |
370 |
|
600 |
9100 |
560 |
3 |
69 |
|
9900 |
575 |
|
11500 |
580 |
|
700 |
9450 |
675 |
4 |
72 |
|
9890 |
685 |
|
10800 |
700 |
|
6.3E |
500 |
9750 |
455 |
3 |
68 |
|
10050 |
465 |
|
12600 |
470 |
|
600 |
12500 |
680 |
5.5 |
70 |
|
14000 |
695 |
|
15480 |
700 |
|
650 |
15680 |
780 |
7.5 |
73 |
|
17650 |
795 |
|
18360 |
800 |
|
7.1E |
450 |
11250 |
460 |
4 |
69 |
|
14320 |
475 |
|
16560 |
480 |
|
550 |
19800 |
685 |
7.5 |
74 |
|
20050 |
700 |
|
23040 |
705 |
|
600 |
22860 |
765 |
11 |
77 |
|
25500 |
790 |
|
28000 |
800 |
|
8E |
400 |
23000 |
450 |
11 |
72 |
|
25200 |
420 |
|
26700 |
380 |
|
500 |
26000 |
560 |
15 |
76 |
|
29000 |
530 |
|
32000 |
510 |
|
550 |
33000 |
680 |
18.5 |
79 |
|
36000 |
650 |
|
38000 |
|
|
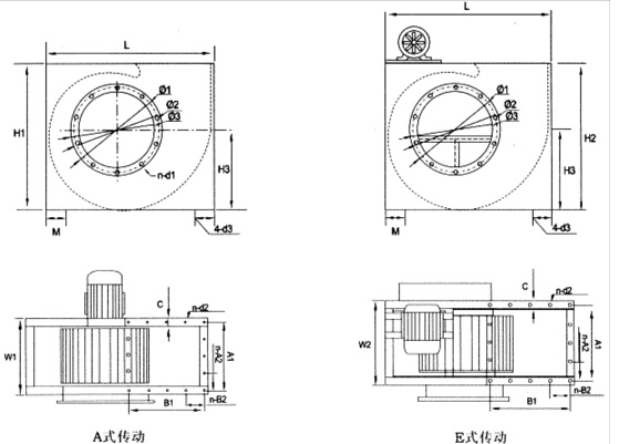
| CDF-I型外形尺寸表(單位:mm) |
 |
|
機號 |
進風口 |
出風口 |
外形及安裝底座 |
|
Φ1 |
Φ2 |
Φ3 |
n-d1 |
A1 |
n-A2 |
B1 |
n-B2 |
n-d2 |
C |
L |
H1 |
H2 |
H3 |
W1 |
M |
d3 |
|
4A |
470 |
440 |
400 |
10-Φ10 |
240 |
3-140 |
246 |
3-143 |
8-Φ10.5 |
40 |
665 |
580 |
/ |
320 |
320 |
80 |
Φ12 |
|
4.5A |
540 |
510 |
470 |
12-Φ10 |
296 |
4-112 |
302 |
4-114 |
12-Φ10.5 |
40 |
790 |
700 |
/ |
370 |
370 |
80 |
Φ14 |
|
4.5E |
540 |
510 |
470 |
12-Φ10 |
296 |
4-112 |
302 |
4-114 |
12-Φ10.5 |
40 |
790 |
/ |
700 |
370 |
370 |
100 |
Φ14 |
|
5E |
600 |
570 |
530 |
12-Φ10 |
320 |
4-120 |
380 |
4-130 |
12-Φ10.5 |
40 |
955 |
/ |
800 |
400 |
400 |
100 |
Φ14 |
|
5.6E |
660 |
620 |
580 |
14-Φ10 |
344 |
4-128 |
425 |
4-155 |
12-Φ10.5 |
40 |
1050 |
/ |
870 |
420 |
420 |
100 |
Φ14 |
|
6.3E |
740 |
700 |
660 |
14-Φ12 |
390 |
5-110 |
498 |
4-137 |
16-Φ12.5 |
50 |
1190 |
/ |
990 |
490 |
490 |
100 |
Φ16 |
|
7.1E |
810 |
770 |
730 |
16-Φ12 |
422 |
5-118 |
560 |
6-122 |
16-Φ12.5 |
50 |
1310 |
/ |
1100 |
520 |
520 |
100 |
Φ16 |
|
8E |
800 |
760 |
720 |
16-Φ12 |
450 |
5-126 |
620 |
6-144 |
16-Φ12.5 |
50 |
1430 |
/ |
1210 |
550 |
550 |
100 |
Φ16 | |
|
|